Are you a Tramec Heavy Duty Customer?

Sign in or create an account to access online tools like LIVE inventory and product label creation.

Contact

Manufacturing Air Brake & Electrical Products, Brass Fittings, and More in the USA

View brand page

Manufacturing Spray Control Products, Door Systems, Cargo Control, and More in the USA

View brand page
Product Search
Search by Part Number, Name, or Competitor Number

Are you a Tramec Heavy Duty Customer?

Sign in or create an account to access online tools like LIVE inventory and product label creation.

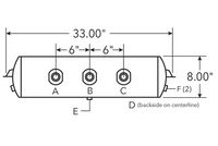
Air Tank, 8" Diameter, 3/4" (2) Main Ports, 3/8" (2) End Ports, 1450 cu in

TSJ8002

Tramec Sloan’s Air Tanks provide premium protection, both inside and out! Proudly made in America, our air tanks are manufactured using a multi-step finishing process, ensuring long-lasting durability and reliability. The premium epoxy-based coating is applied to the interior and exterior of every steel tank, offering superior protection against corrosion to keep your equipment in optimal condition for longer life. We don't just meet standards, we exceed them. Our air tanks are designed to meet or exceed the rigorous coating requirements set by leading truck OEMs. Our air reservoirs, available in both steel and aluminum, meet or surpass all relevant safety and performance standards. This includes compliance with U.S. regulations (SAE J10 and FMVSS 121), as well as European standards (CE and EN 286). To further demonstrate their durability, each air tank is subjected to a demanding 240 hours of salt spray resistance testing, proving their ability to withstand harsh environmental conditions. For maximum performance, pair our air tanks with a Tramec Sloan drain valve for years of smooth, trouble-free operation, minimizing downtime and maintenance costs.

  • Proudly Made in the USA
  • Meets and exceeds DOT & SAE standards
  • 240 Hours of Salt Spray Resistance
  • Passes ASTM B117 Corrosion Test Protocol
  • Available in high-quality steel and aluminum
  • Built for superior corrosion resistance
  • Compatible with Tramec Sloan drain valves for enhanced performance.
Capacity (Cubic Inches)
1460 CI
Diameter
8 IN
Drain Port E
1/4 IN
Drain Port Quantity
1
End Port Quantity
2
End Ports F
3/8 IN
Length
33 IN
Main Port B
3/4 IN
Main Port D
3/4 IN
Main Port Quantity
2
Material
Black Coated Steel
Type
Standard
CROSS REF
HT-8002
J8002
ST8002
ST8002
461027

YOU MIGHT ALSO BE INTERESTED IN…